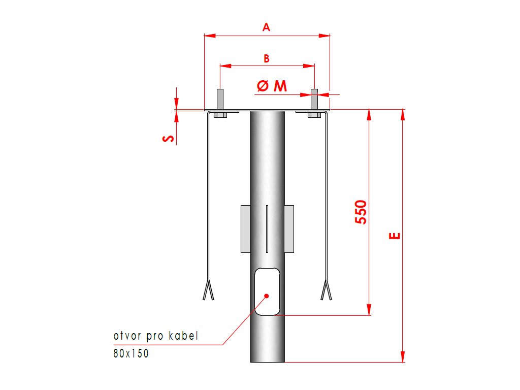
Kotevní rošt pro stožáry do 12m
Detailní popis produktu
TECHNICKÉ PODMÍNKY
Provedení
Konstrukce je vyráběna dle normy EN ČSN 40-5:2002, EN 1090-1 a A1:2012.
Jakost svařování odpovídají předpisům normy ČSN EN 3834-2. Kontrola svarů se provádí dle standardů platících pro skupinu C.
Používaný materiál dle ČSN EN 10210, ČSN EN 10219 a ČSN EN 10025 jakosti S235JRG2, S235JRG3 a S355JRG2. Jedná se o ocel s minimální mezí kluzu 235 N/mm2, potažmo 355 N/mm2, nárazová práce min. 27J při teplotě 20°C, ocel uklidněná. Jakost materiálu je dokladovatelná inspekčními certifikáty „3.1“ dle ČSN EN 10204:2005.
Doplňkové parametry
| Kategorie: | Kotevní rošty |
|---|---|
| Záruka: | 2 roky |
| Hmotnost: | 33 kg |
Buďte první, kdo napíše příspěvek k této položce.
Přidat komentář
